7 плюсов системы отопления с принудительной циркуляцией: о главном
Если есть отдельно стоящий частный дом, есть и потребность в отапливании его помещений. Решить эту задачу поможет схема отопления дачного или жилого дома. Известно два способа спланировать схему для проведения монтажных работ: используя систему отопления с естественной гравитационной циркуляцией, либо схему, функционирующую благодаря принудительной циркуляции воды.
Если на движение воды по трубам влияет естественный ток жидкости, нет нужды в дополнительном оборудовании. Система отопления с принудительной циркуляцией работает благодаря насосу, который поддерживает необходимый напор теплоносителя. Чем выше скорость движения горячей воды, тем теплее в доме.
Поскольку принудительная система с насосом зависима от электроэнергии, в доме, где она используется, рекомендуется купить бензиновый генератор электроэнергии на случай аварийного отключения электричества.
Отличие открытых от закрытых (замкнутых) схем отопления: однотрубные и двухтрубные системы
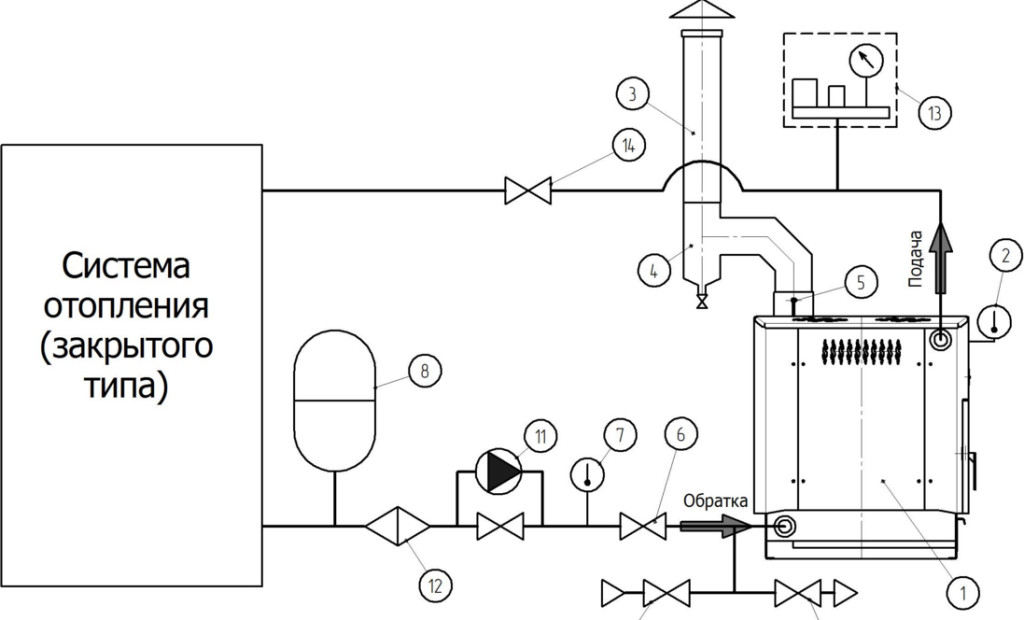
Отопительная система представляет собой сложную конструкцию, включающую в себя радиаторы отопления, котел, нагревающий теплоноситель, и трубы, объединяющие все элементы схемы воедино. Отопительные контуры оснащают расширительными бачками, манометрами, измеряющими давление в трубах, и иными устройствами, обеспечивающими бесперебойную автономную работу отопления.
Каждый отопительный контур снабжается расширительным баком, который нейтрализует излишки объема расширяющегося при нагреве теплоносителя. Если такой бак контактирует с внешней средой, то систему, в которой он установлен, — это открытая система отопления. В такой системе вода испаряется через бачок, поэтому периодически ее доливают, если в этом возникает потребность. Конструкция бачка предусматривает три входа для подсоединения труб: первая труба наполняет бак водой из системы, поставляя в него излишки расширившейся от нагрева воды. Второе отверстие предназначено для подсоединения трубы перелива, которая имеет выход в атмосферу. Третье отверстие – для сигнальной трубы, которая оснащена краном. Если при открытии этого крана льется вода, расширительный бачок переполнен.
Если же конструкция оборудована закрытым мембранным расширительным бачком, изолированным от атмосферного воздуха, то это закрытая система отопления.
Роль циркуляционного насоса для отопления частного дома
Чтобы наглядно оценить роль циркуляционного насоса в отопительном контуре, стоит перечислить основные плюсы его установки:
- Отопительный контур с насосом проще устанавливать, т.к. не требуется соблюдать угол наклона труб, обязательный для гидравлических схем
- Допустим меньший диаметр труб, т.к. насос без труда обеспечит принудительный ход теплоносителя
- Нет ограничений при покупке радиатора любого дизайна, принудительная циркуляция в системе отопления позволит преодолеть сопротивление их узких участков
- За счет узких труб интерьер помещения выглядит аккуратнее, разводку проще спрятать
- Трубопровод не ограничен по длине, как в случае с естественным течением воды по контуру
- Возможность сделать разводку коллекторного типа
- Благодаря насосу, в доме возможно установить «теплые полы»
Элементы схемы закрытого типа
Однотрубная и двухтрубная система отопления с принудительной циркуляцией способны обеспечить теплом ваш дом. Схема отопления с принудительной циркуляцией закрытого типа состоит из следующих элементов:
- Котел, отвечающий за нагрев теплоносителя. Котел может быть твердотопливный, газовый, электрический или комбинированный.
- Расширительный бачок, оснащенный мембраной
- Циркуляционный насос соответствующей мощности
- Батареи отопления
- Трубы, из которых будут смонтированы подающая и обратная магистраль, а также разводка, соединяющая приборы отопления со стояками
- Фитинги, соединяющие трубы
- Краны: пробковые и шаровые
- Обратные клапаны
- Воздухоотводчики
- Фильтры для котла и насоса
- Крепежная фурнитура
Нюансы расчета монтажа схемы системы отопления с принудительной циркуляцией
От грамотной установки отопительного контура зависит, насколько долго и безаварийно будет работать отопление в доме. Поскольку жидкость в системе закрытого типа не контактирует с окружающей средой, она не может испариться. Нагреваясь, теплоноситель расширяется, повышая тем самым давление внутри системы. Поскольку замкнутая система отопления с принудительной циркуляцией не подразумевает возможности выхода воды за пределы контура, нужен расширительный бачок, который примет излишний объем на себя.
Бачок присоединяют к трубопроводу обратки, так же, как и циркуляционный насос, т.к. именно на этом участке нагрев теплоносителя минимальный. Поскольку горячая жидкость сокращает срок службы насоса, лучше устанавливать его в месте, где температура воды минимальна.
За счет того, что трубы в системе с насосом имеют меньший диаметр сечения, объем теплоносителя, циркулирующего по ним, меньше объема жидкости, необходимой для отопления аналогичного дома без участия насоса. Этот фактор положительно влияет на условия эксплуатации расширительного бака, в системе с насосом бак дольше не выходит из строя. Система отопления с принудительной циркуляцией не доставляет столько неудобств как естественная циркуляция.
Также, современные модели нагревательных котлов часто имеют механизмы регуляции температуры воды в зависимости от времени суток, которые работают автоматически. Этот нюанс позволяет сделать работу контура более экономичной.
В целях увеличения поверхности нагрева в контур может быть установлена ребристая труба для отопления. Всем известные батареи отопления из чугуна являются разновидностью ребристых труб. Такие конструкции за счет увеличения поверхности нагревателя обеспечивают более равномерный и качественный прогрев помещения. Ребристые трубы лучше устанавливать в нежилых помещениях, т.к. из-за сложной формы они легко накапливают пыль.
В отличие от самотечного контура, где нет циркуляции в системе отопления, конструкция с насосом требует тщательного подхода. Одна из первостепенных задач, которую нужно разрешить при проектировании, будет ли это однотрубная система отопления с принудительной циркуляцией или двухтрубная. Первый вариант экономичнее и проще в установке, но двухтрубная система отопления с принудительной циркуляцией более производительна.
Схема отопления трехэтажного дома с самотечной циркуляцией легко переоборудуется в контур с принудительной циркуляцией воды. Для этого присоединяют к ней водяной насос и расширительный бачок. Таким образом, модернизируют схему отопления и поддерживают комфортную температуру в жилище независимо от погоды за окном.
Выбор циркуляционного насоса
Когда покупают циркуляционный насос, учитывают его надежность, количество потребляемой электроэнергии и понятный принцип работы. Принудительное отопление зависит от мощности агрегата и напора, который он способен создавать. При оценке этих характеристик отталкиваются от размеров помещения, для обогрева которого приобретается насос. Так, для частного дома площадью в 250 кв.м. потребуется насос с напором в 0,4 атмосферы и мощностью 3,5 куб. м/час. Если дом просторный и его квадратура превышает 500 кв. м, то требуемая мощность насоса – 11 куб. м/час, а напор – 0,8 атмосфер. При покупке насоса для конкретного помещения целесообразно провести индивидуальный расчет, который учтет индивидуальные особенности: протяженность контура, количество батарей отопления, диаметр трубопровода, материал труб, вид топлива.
Отопление с принудительной циркуляцией снижает теплоотдачу, когда внутри трубопровода образуются воздушные пробки. Движение теплоносителя по контуру затрудняется. Воздушные заторы возникают вблизи радиаторов, на вертикальных участках контура. Чтобы избежать этой проблемы, на каждый радиатор устанавливают кран Маевского, автоматические воздухоотводчики. Это эффективный способ исключить нарушения в работе системы, связанные с попаданием воздуха в трубы. Cистема отопления с принудительной циркуляцией всегда на высоте.




